[ 전자부품 '릴레이(Relay)' 에 대해 알아보기 ]

[ 릴레이란? 릴레이의 작동 원리 ]
릴레이는 쉽게 말해 ON, OFF가 있는 일종의 '스위치' 입니다.
하지만 우리가 일반적으로 알고있는 불을 켜고 끌때 누르는 스위치와는 '동작원리'가 다릅니다.
우리가 일반적으로 접하는 스위치는 '수동'으로 ON, OFF 해주지만, 릴레이는 '자동'으로 ON,OFF 할 수 있게끔 해주는 전자부품 입니다.
조금 더 전문적으로 말하자면, 별도로 분리되어 흐르는 전기를 스위칭할 수 있는 신호 또는 펄스를 만들어 줍니다.
이러한 릴레이는 작동하기위해 필요한 전압은 낮지만, 입력될 수 있는 전압은 높습니다.
그렇기 때문에 릴레이는 흔히 낮은 전압/전류를 이용하여 더 높은 전압/전류를 제어하는데에 많이 사용합니다.
아래의 사진을 참고로하여 간단하게 알아보도록 하겠습니다.

위 사진의 릴레이는 SRD-05VDC-SL-C 제품입니다.
데이터시트를 살펴보니 SRD는 모델명, 05VDC는 구동전압, S는 타입, L는 코일 감도 를 나타내며
10A 250VAC, 10A 30VDC는 최대 입력전압, 10A 125VAC, 10A 28VDC는 기본 입력전압 을 나타냅니다.
(VAC = 교류, VDC = 직류)
일반적인 조명과의 사용을 예로 들어보겠습니다.
조명은 220VAC, 60W 로 작동합니다. (전력P = V 곱하기 I이므로 0.3~0.4A정도 사용)
릴레이는 250VAC, 10A까지 버틸수 있으므로 조명의 스위치 역할을 할 수 있습니다.

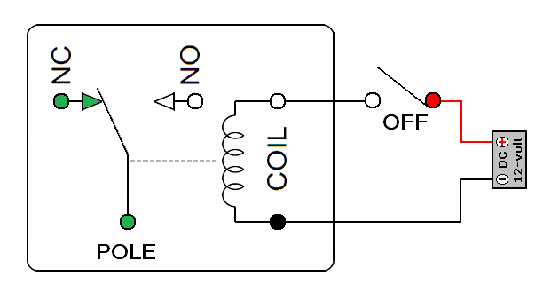
그렇다면 릴레이는 어떤 원리로 작동하는걸까요?
릴레이는 내부에 '전자석'(코일)을 포함하고 있습니다. 이 전자석은 전류가 통하게되면 자석이되는 성질을 갖고 있습니다.
때문에 전원을 공급하게되면 릴레이 내부에 전자석이 자석이되어 옆에 있던 철편을 끌어당겨 스위치가 ON 이 되는것입니다.
릴레이는 여러 종류가 있지만, 모두 이러한 원리로 작동합니다.

3,4번으로 5VDC (구동전압) 입력시 코일에 전류가 흐르며 자석이됨.
코일이 자석이되면 철편(스위치)을 끌어당겨 스위치가 ON됨.
1,2번이 연결(스위치 ON)되어 220VAC가 흐르며 조명이 켜지게됨.

[ 릴레이의 종류 ]

[전원 공급시 릴레이(SPDT)의 내부 변화]
[1] 릴레이 내부 구성에 인한 분류
(1) SPST (Single Pole Single Throw) : 입력(Pole) 하나 출력 하나

(2) SPDT (Single Pole Double Throw) : 입력 하나 출력 둘

(3) DPDT (Duble Pole Duble Throw) : SPDT 2개가 합쳐진 형태

[2] 접점 형태에 따른 분류
(1) A타입 : 평상시 OFF 상태

(2) B타입 : 평상시 ON 상태

(3) C타입 : 평상시 한개의 접점에 연결

[3] 구조에 따른 분류
대표적으로 전자기 릴레이와 반도체 릴레이 두가지로 나뉘어집니다.
전자기 릴레이
일반적인 전기 기계식 릴레이로 반응속도가 느리며, 노이즈가 발생하는 단점이 있습니다.

반도체 릴레이 ( SSR : 솔리드 스테이트 릴레이 : 무접점 릴레이)
반도체 소자를 이용하여 소형, 경량화 시켜 전자기 릴레이의 단점을 보완한 릴레이 입니다.
전기 기계식 릴레이보다 반응속도가 빠르며 전기적 노이즈가 적습니다.
무한으로 깔끔하게 동작시킬 수 있으며 소음이 적습니다.
하지만 닫혔을때 임피던스가 높고, 열렸을 때 역으로 새는 전류가 존재하며
가격이 비싸다는 단점이 있습니다.

릴레이는 핀수, 접점 수, 구동전압, 입력전압, 형태, 크기 등에 따라 자동차, 기판 등 여러곳에 사용할 수 있습니다.
